2026.01.28
カテゴリ:アップデート情報
仕様変更 設定範囲変更など_ver1.2.2.4
アップデート情報
・引き分けカーテン設定範囲の変更
・F24Hフレーム正面溝へのTロック接続対応(Tロックのマイナーチェンジに伴う変更)
・バージョンアップ方法の変更(LECOcadのみ)
・不具合修正
■引き分けカーテンの作図

info中割れ位置の設定範囲が拡張されました。
変更前:20<= □□ <=80
変更後:10<= □□ <=90

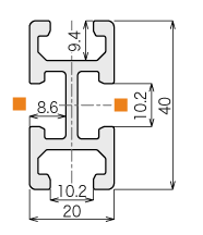
■F24Hフレーム正面溝へのTロック接続対応
■正面溝部にTロックが使用できるようになりました。
F24Hフレーム(40シリーズ)
■バージョンアップ方法の変更
LECOcad ver.1.2.2.4より、バージョンアップ方法の仕様が変更になりました。